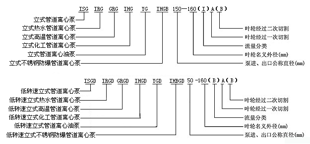
ISW系列卧式离心泵,热水循环泵是根据IS型、IR型离心泵之性能参数,参照ISO2858标准,采用国内优秀水力模型化设计而成,是理想的新一代高效节能卧式泵产品。 1、ISW卧式清水泵,供输送清水及物理化学性质类似于清水的其它液体之用,适用于工业和城市给排水、高层建筑增压送水、园林喷灌、消防增压、远距离输送、暖通制冷循环、浴室等冷暖水循环增压及设备配套,使用温度T≤80℃。 2、ISWR卧式热水泵,广泛适用于:冶金、化工、纺织、造纸以及宾馆饭店等锅炉热水增压循环输送及城市采暖系统,ALWR型使用温度T≤120℃。 3、ISWH卧式化工泵,供输送不含固体颗粒,具有腐蚀性。粘度类似于水的液体,适用于石油、化工、冶金、电力、造纸、食品、制药和合成纤维等部门,使用温度为-20℃~+120℃。 4、ISWY卧式管道油泵,供输送汽油、煤油、柴油等油类产品或易燃、易爆液体,被输送介质温度为-20℃~120℃。 5、IHWB型卧式不锈钢防爆化工离心泵,适用于输送易燃性化工液体。 6、ISWD卧式低转速泵,适应要求环境噪声很低的场合,使用温度T≤120℃。
|
热水循环泵运行平稳:泵轴的绝对同心度及叶轮优异的动静平衡,保证平稳运行,绝无振动。 滴水不漏:不同材质的硬质合金密封,保证了不同介质输送均无泄漏。 噪音低:两个低噪音轴承支撑下的水泵,运转平稳,除电机微弱声响,基本无噪音。 故障率低:结构简单合理,关键部分采用国际一流品质配套,整机无故障工作时间大大提高。 维修方便:更换密封、轴承,简易方便。 占地更省:出口可向左、向右、向上三个方向,便于管道布置安装,节省空间。
|
1、ISW卧式清水泵,供输送清水及物理化学性质类似于清水的其它液体之用,适用于工业和城市给排水、高层建筑增压送水、园林喷灌、消防增压、远距离输送、暖通制冷循环、浴室等冷暖水循环增压及设备配套,使用温度t≤80℃。 2、ISWR卧式热水泵广泛适用于:冶金、化工、纺织、造纸以及宾馆饭店等锅炉热水增压循环输送及城市采暖系统,ISWR型使用温度t≤120℃。 3、ISWH卧式化工泵,供输送不含固体颗粒,具有腐蚀性、粘度类似于水的液体,适用于石油、化工、冶金、电力、造纸、食品制药和合成纤维等部门,使用温度为-20℃~+120℃。 4、ISWB卧式管道油泵,供输送汽油、煤油、柴油等油类产品或易燃、易爆液体,被输送介质温度为-20~ +120℃。 |
|
| 性能参数 |
| 型 号 |
流量 |
扬程 (m) |
效率 (%) |
转速 (r/min) |
电机功率 (kw) |
汔蚀余量 (NPSH)r |
重量 (kg) |
| m3/h |
L/s |
| 15-80 |
1.1 1.5 2.0 |
0.3 0.42 0.55 |
8.5 8 7 |
26 34 34 |
2800 |
0.18 |
2.3 |
17 |
| 20-110 |
1.8 2.5 3.3 |
0.5 0.69 0.91 |
16 15 13.5 |
25 34 35 |
2800 |
0.37 |
2.3 |
25 |
| 20-160 |
1.8 2.5 3.3 |
0.5 0.69 0.91 |
33 32 30 |
19 25 23 |
2900 |
0.75 |
2.3 |
29 |
| 25-110 |
2.8 4 5.2 |
0.78 1.11 1.44 |
16 15 13.5 |
34 42 41 |
2900 |
0.55 |
2.3 |
26 |
| 25-125 |
2.8 4 5.2 |
0.78 1.11 1.44 |
20.6 20 18 |
28 36 35 |
2900 |
0.75 |
2.3 |
28 |
| 25-125A |
2.5 3.6 4.6 |
0.69 1.0 1.28 |
17 16 14.4 |
35 |
2900 |
0.55 |
2.3 |
27 |
| 25-160 |
2.8 4 5.2 |
0.78 1.11 1.44 |
33 32 30 |
24 32 33 |
2900 |
1.5 |
2.3 |
39 |
| 25-160A |
2.6 3.7 4.9 |
0.12 1.03 1.36 |
29 28 26 |
31 |
2900 |
1.1 |
2.3 |
34 |
| 32-100 |
4.5 |
12.5 |
12.5 |
44 |
2900 |
0.55 |
2.0 |
27 |
| 32-100(I) |
4.4 6.3 8.3 |
1.22 1.75 2.32 |
13.2 12.5 11.3 |
48 54 53 |
2900 |
0.75 |
2.0 |
32 |
| 32-125 |
3.5 5 6.5 |
0.97 1.39 1.8 |
22 20 18 |
40 44 42 |
2900 |
0.75 |
2.3 |
28 |
| 32-125A |
3.1 4.5 5.8 |
0.86 1.25 1.61 |
17.6 16 14.4 |
43 |
2900 |
0.55 |
2.3 |
28 |
| 32-160 |
6.5 |
5 |
32 |
44 |
2900 |
1.5 |
2.3 |
39 |
| 32-160A |
4 |
1.1 |
25 |
34 |
2900 |
1.1 |
2.0 |
38 |
| 32-160(I) |
4.4 6.3 8.3 |
1.22 1.75 2.32 |
33.2 32 30.2 |
34 40 42 |
2900 |
2.2 |
2.0 |
4.7 |
| 32-200 |
4.5 |
12.5 |
50 |
32 |
2900 |
3 |
2.0 |
55 |
| 32-200(I) |
4.4 6.3 8.3 |
1.22 1.75 2.32 |
50.5 50 48 |
26 33 35 |
2900 |
4 |
2.0 |
43 |
| 32-200A |
2.8 4 5.2 |
0.78 1.11 1.44 |
44.6 44 42.7 |
34 40 42 |
2900 |
2.2 |
2.0 |
74 |
| 40-100 |
4.4 6.3 8.3 |
1.22 1.75 2.31 |
13.2 12.5 11.3 |
48 54 53 |
2900 |
0.55 |
2.3 |
32 |
| 40-100A |
3.9 5.6 7.4 |
1.08 1.56 2.06 |
10.6 10 9 |
52 |
2900 |
0.37 |
2.3 |
32 |
| 40-125 |
4.4 6.3 8.3 |
1.22 1.75 2.31 |
21 20 18 |
41 46 43 |
2900 |
1.1 |
2.3 |
34 |
| 40-125A |
3.9 5.6 7.4 |
1.08 1.56 2.06 |
17.6 16 14.4 |
40 45 41 |
2900 |
0.75 |
2.3 |
33 |
| 40-160 |
4.4 6.3 8.3 |
1.22 1.75 2.31 |
33 32 30 |
35 40 40 |
2900 |
2.2 |
2.3 |
47 |
| 40-160A |
4.1 5.9 7.8 |
1.14 1.64 2.17 |
29 28 26.3 |
34 39 39 |
2900 |
1.5 |
2.3 |
43 |
| 40-160B |
3.8 5.5 7.2 |
1.06 1.53 2.0 |
25.5 24 22.5 |
34 38 37 |
2900 |
1.1 |
2.3 |
38 |
| 40-200 |
4.4 6.3 8.3 |
1.22 1.75 2.31 |
51 50 48 |
26 33 32 |
2900 |
4.0 |
2.3 |
74 |
| 40-200A |
4.1 5.9 7.8 |
1.14 1.64 2.17 |
45 44 42 |
26 31 30 |
2900 |
3.0 |
2.3 |
62 |
| 40-200B |
3.7 5.3 7.0 |
1.03 1.47 1.94 |
38 36 34.5 |
29 |
2900 |
2.2 |
2.3 |
52 |
| 40-250 |
4.4 6.3 8.3 |
1.22 1.75 2.31 |
82 80 74 |
24 28 28 |
2900 |
7.5 |
2.3 |
105 |
| 40-250A |
4.1 5.9 7.8 |
1.14 1.64 2.17 |
72 70 65 |
24 28 27 |
2900 |
5.5 |
2.3 |
98 |
| 40-250B |
3.8 5.5 7.0 |
1.06 1.53 1.94 |
61.5 60 56 |
23 27 26 |
2900 |
4.0 |
2.3 |
77 |
| 40-100(I) |
8.8 12.5 16.3 |
2.44 3.47 4.53 |
13.2 12.5 11.3 |
55 62 60 |
2900 |
1.1 |
2.3 |
34 |
| 40-100(I)A |
8 11 14.5 |
2.22 3.05 4.03 |
10.6 10 9 |
60 |
2900 |
0.75 |
2.3 |
32 |
| 40-125(I) |
8.8 12.5 16.3 |
2.44 3.47 4.53 |
21.2 20 17.8 |
49 58 57 |
2900 |
1.5 |
2.3 |
38 |
| 40-125(I)A |
8 11 14.5 |
2.22 3.05 4.03 |
17 16 14 |
57 |
2900 |
1.1 |
2.3 |
33 |
| 40-160(I) |
8.8 12.5 16.3 |
2.44 3.47 4.53 |
33 32 30 |
45 52 51 |
2900 |
3.0 |
2.3 |
56 |
| 40-160(I)A |
8.2 11.7 15.2 |
2.28 3.25 4.22 |
29 28 26 |
44 51 50 |
2900 |
2.2 |
2.3 |
47 |
| 40-160(I)B |
7.3 10.4 13.5 |
2.38 2.89 3.75 |
23 22 20.5 |
50 |
2900 |
1.5 |
2.3 |
43 |
| 40-200(I) |
8.8 12.5 16.3 |
2.44 3.47 4.53 |
51.2 50 48 |
38 46 46 |
2900 |
5.5 |
2.3 |
85 |
| 40-200(I)A |
8.3 11.7 15.3 |
2.31 3.25 4.25 |
45.0 44 42 |
37 45 45 |
2900 |
4.0 |
2.3 |
75 |
| 40-200(I)B |
7.5 10.6 13.8 |
2.08 2.94 3.83 |
37 36 34 |
44 |
2900 |
3 |
2.3 |
63 |
| 40-250(I) |
8.8 12.5 16.3 |
2.44 3.47 4.53 |
81.2 80 77.5 |
31 38 40 |
2900 |
11 |
2.3 |
145 |
| 40-250(I)A |
8.2 11.6 15.2 |
2.28 3.22 4.22 |
71.0 70 68 |
38 |
2900 |
7.5 |
2.3 |
95 |
| 40-250(I)B |
7.6 10.8 14 |
2.11 3.0 3.89 |
61.4 60 58 |
37 |
2900 |
5.5 |
2.3 |
94 |
| 40-250(I)C |
7.1 10.0 13.1 |
1.97 2.78 3.64 |
53.2 52 50.4 |
36 |
2900 |
5.5 |
2.3 |
88 |
| 50-100 |
8.8 12.5 16.3 |
2.44 3.47 4.53 |
13.6 12.5 11.3 |
55 62 60 |
2900 |
1.1 |
2.3 |
36 |
| 50-100A |
8 11 14.5 |
2.22 3.05 4.03 |
11 10 9 |
60 |
2900 |
0.75 |
2.3 |
35 |
| 50-125 |
8.8 12.5 16.3 |
2.44 3.47 4.53 |
21.5 20 17.8 |
49 58 57 |
2900 |
1.5 |
2.3 |
43 |
| 50-125A |
8 11 14.5 |
2.22 3.05 4.03 |
17 16 14 |
57 |
2900 |
1.1 |
2.3 |
38 |
| 50-160 |
8.8 12.5 16.3 |
2.44 3.47 4.53 |
33 32 30 |
45 52 30 |
2900 |
3.0 |
2.3 |
59 |
| 50-160A |
8.2 11.7 15.2 |
2.28 3.25 4.22 |
29 28 26 |
44 51 50 |
2900 |
2.2 |
2.3 |
51 |
| 50-160B |
7.3 10.4 13.5 |
2.38 2.89 3.75 |
23 22 20.5 |
50 |
2900 |
1.5 |
2.3 |
47 |
| 50-200 |
8.8 12.5 16.3 |
2.44 3.47 4.53 |
52 50 48 |
38 46 46 |
2900 |
5.5 |
2.3 |
101 |
| 50-200A |
8.3 11.7 15.3 |
2.31 3.25 4.25 |
45.8 44 42 |
37 45 45 |
2900 |
4.0 |
2.3 |
80 |
| 50-200B |
7.5 10.6 13.8 |
2.08 2.94 3.83 |
37 36 34 |
44 |
2900 |
3 |
2.3 |
68 |
| 50-250 |
8.8 12.5 16.3 |
2.44 3.47 4.53 |
82 80 77.5 |
29 38 40 |
2900 |
11 |
2.3 |
160 |
| 50-250A |
8.2 11.6 15.2 |
2.28 3.22 4.22 |
71.5 70 68 |
38 |
2900 |
7.5 |
2.3 |
115 |
| 50-250B |
7.6 10.8 14 |
2.11 3.0 3.89 |
61.4 60 58 |
37 |
2900 |
5.5 |
2.3 |
114 |
| 50-250C |
7.1 10.0 13.1 |
1.97 2.78 3.64 |
53.2 52 50.4 |
36 |
2900 |
5.5 |
2.3 |
|
| 50-100(I) |
17.5 25 32.5 |
4.86 6.94 9.03 |
13.7 12.5 10.5 |
67 69 69 |
2900 |
1.5 |
2.5 |
41 |
| 50-100(I)A |
15.6 22.3 29 |
4.3 6.19 8.1 |
11 10 8.4 |
65 67 68 |
2900 |
1.1 |
2.5 |
36 |
| 50-125(I) |
17.5 25 32.5 |
4.86 6.94 9.03 |
21.5 20 18 |
60 68 67 |
2900 |
3.0 |
2.5 |
56 |
| 50-125(I)A |
15.6 22.3 29 |
4.33 6.19 8.1 |
17 16 13.6 |
58 66 65 |
2900 |
2.2 |
2.5 |
48 | |